|
|
| |
|
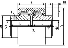
Specification & Dimension |
| |
|
|
| |
|
|
|
|
|
10 |
10000 |
6 7 |
16 |
40 |
- |
25 |
38 |
- |
17 |
- |
4 |
- |
0.2 |
- |
0.00003 |
- |
|
8 9 |
20 |
M5 |
|
10 11 |
22 |
|
12 14 |
27 |
|
16 |
9000 |
8 9 |
20 |
48 |
- |
32 |
28 |
- |
17 |
- |
4 |
M5 |
0.278 |
- |
0.00006 |
- |
|
10 11 |
22 |
|
12 14 |
27 |
|
16 18 19 |
30 |
|
31.5 |
8500 |
10 11 |
22 |
56 |
58 |
36 |
42 |
52 |
19 |
- |
4 |
M5 |
0.482 |
0.533 |
0.00012 |
0.00015 |
|
12 14 |
27 |
24 |
|
16 18 19 |
30 |
|
20 22 24 |
38 |
|
45 |
8000 |
12 14 |
27 |
60 |
70 |
45 |
46 |
- |
21 |
26 |
4 |
M8 |
0.815 |
0.869 |
0.00033 |
0.0004 |
|
16 18 19 |
30 |
56 |
|
20 22 24 |
38 |
|
25 28 |
44 |
|
63 |
7500 |
14 |
27 |
75 |
85 |
50 |
48 |
- |
22 |
27 |
4 |
M8 |
1.39 |
1.52 |
0.00072 |
0.00088 |
|
16 18 19 |
30 |
58 |
|
20 22 24 |
38 |
|
25 28 |
44 |
|
30 32 |
60 |
|
80 |
6700 |
16 18 19 |
30 |
82 |
90 |
58 |
48 |
58 |
22 |
27 |
4 |
M8 |
2.02 |
2.15 |
0.0012 |
0.0015 |
|
20 22 24 |
38 |
|
25 28 |
44 |
|
30 32 35 38 |
60 |
|
100 |
6000 |
20 22 24 |
38 |
92 |
100 |
65 |
50 |
60 |
23 |
28 |
4 |
M8 |
3.01 |
3.14 |
0.0024 |
0.0027 |
|
25 28 |
44 |
|
30 32 35 38 |
60 |
|
40 42 |
84 |
|
140 |
5600 |
20 22 |
38 |
100 |
100 |
72 |
50 |
60 |
23 |
28 |
4 |
M8 |
4.06 |
4.18 |
0.0037 |
0.0039 |
|
25 28 |
44 |
|
30 32 35 38 |
60 |
|
40 42 45 48 |
84 |
|
355 |
4000 |
25 28 |
44 |
140 |
141 |
90 |
72 |
85 |
34 |
41 |
4 |
M10 |
8.25 |
8.51 |
0.0155 |
0.0166 |
|
30 32 35 38 |
60 |
|
40 42 45 48 |
84 |
|
50 55 56 |
|
|
60 63 65 70 |
107 |
|
710 |
3150 |
30 32 35 38 |
60 |
175 |
175 |
128 |
95 |
95 |
45 |
45 |
6 |
M10 |
16.92 |
17.1 |
0.052 |
0.0535 |
|
40 42 45 48 |
84 |
|
50 55 56 |
|
|
60 63 65 70 |
107 |
|
71 75 |
|
|
80 85 |
132 |
|
1250 |
3000 |
40 42 45 48 |
84 |
210 |
210 |
165 |
102 |
102 |
48 |
48 |
8 |
M10 |
34.26 |
34.56 |
0.1624 |
0.165 |
|
50 55 56 |
|
|
60 63 65 70 |
107 |
|
71 75 |
|
|
80 85 90 95 |
132 |
|
100 110 |
167 |
|
2500 |
2120 |
50 55 56 |
84 |
270 |
270 |
192 |
135 |
135 |
63 |
63 |
10 |
M16 |
66.42 |
66.86 |
0.4674 |
0.4731 |
|
60 63 65 70 |
107 |
|
71 75 |
|
|
80 85 90 95 |
132 |
|
100 110 120 |
167 |
|
125 |
|
|
|
| |
| |
|
|
|