中文版
|
English
Home
Industrial Service
Consultation
Recommendation
Repair
Spare Parts
Contact Service
On going Support
Training
Industrial Pump
Industrial Product
Industrial Pump Replacement
Centrifugal Pump Parts
PD Pump Parts
AOD Pump Parts
Brand products
Viking Pump
Heavy Duty Bracket Mounted Pumps
High Speed Heavy Duty pumps for clean
General Purpose Pumps for low pressure
Sealless Pumps for crucial liquid containment applications
OEM Pump
Kracht Pump
Transfer Gear Pumps
Fuel Pumps
Metering Pumps
Transfer pump for medium and high viscosity
High Pressure Gear Pumps
Vacuum Pump Replacement
Leybold
Becker
Busch
Rietschle
Alcatel
Edward
Fisher
Varian
Orion
kenny
Stoke
Welco
Pump Service
Module & System
Metering Systems
Filling System
Buffering systems
Filtration System
Partner
RFQ
TIRE Coupling
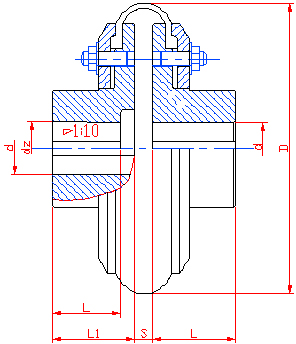
Specification & Dimension
Size
Rated
Max.Speed
Dia. Of Hub
Length of Hub
D
S
转动惯量
Torque
{n}
d dz
Y、J、J1、Z型
I
Tn
r/min
mm
mm
kg·m2
N·m
dmin
dmax
L
L1
mm
LA1
10
5000
6
11
16~25
60
4
0.004
LA2
20
5000
8
19
14~42
35
100
8
0.05
LA3
80
4000
18
28
30~62
35~50
135
12
0.022
LA4
160
3150
25
38
44~82
50~65
180
18
0.071
LA5
315
2800
32
50
60~112
65~90
210
18
0.154
LA6
630
2500
40
56
84~112
90
265
24
0.46
LA7
1250
2000
48
75
84~142
90~120
310
28
1.86
LA8
2500
1600
60
95
107~172
120~145
400
38
3.57
LA9
5000
1250
80
125
132~212
145~180
450
42
6.47
LA10
10000
1000
100
150
167~252
180~220
550
52
17.55
LA11
20000
8000
130
180
202~302
220~270
700
70
54
Home
|
About Us
|
Contact Us
|
法律声明
©2008 D.J. All Rights Reserved.